单相整流桥模块、三相整流桥模块
 
			
【公司名称】无锡赛杰电器有限公司
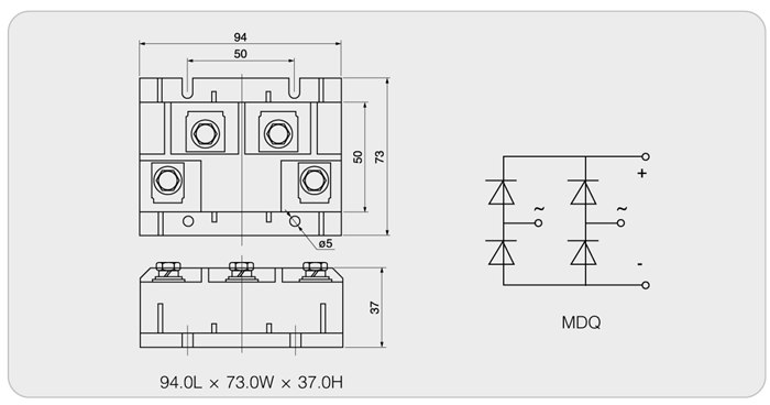
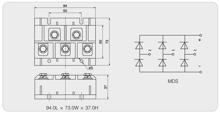
【产品型号】MDQ、MDS 160A
【产品简介】
单相整流模块、三相整流桥模块,公司严格按照国际标准工艺制造。将功率半导体钝化芯片(整流管芯片)以国际标准电路结构封装结合,并选用电子陶瓷片,解决功率半导体芯片和紫铜底基板之间的绝缘问题,因此多个模块可以共用一个散热器。体积小,结构紧凑便捷。广泛地应用在直流电源、电焊机、直流电机、电池充放电、PWM变频器整流等
详细说明
	一、产品特点:
	1、芯片与底板电气绝缘,2500V交流电压;
	2、国际标准封装;
	3、真空+充氢保护焊接技术;
	4、焊接结构,优良的温度特性和功率循环能力;
	5、安装简单,使用维修方便;
	6、体积小,重量轻;
	7、最高工作结温达150℃;
	8、正向压降小。
	
	二、型号说明:
	
	三、特性参数:
| 
 | 
| 
 | 
	四、外形尺寸及电路图:
	
	 五、产品应用:
五、产品应用:
	1、仪器设备的直流电流; 2、P W M变频器的输入整流电源; 3、直流电机励磁电源; 4、开关电源的输入整流; 5、软启动电容充电; 6、电气拖动和辅助电流; 7、逆变焊机; 8、电流充电直流电源。
	说明:
	a. Vdsm/Vrsm=Vdrm/Vrrm+200V;
	b. 除非另作说明,Lgt,Vgt,Ih,Vtm,Viso均为25下的调试值,表中其它参数皆为Tvjm下的测试值;
	c. I2t=I2tsmTW/2,式中TW:正弦半波电流底宽,在50HZ频率下,I2t(10ms)=0.005I2tsm(A2S); 
	d. 当使用在电流为60HZ情况下,Itsm(8.3ms)=1.066(10ms),I2t(8.3ms)=0.943I2tsm(10ms)。

更多...最新评论
快速评论